
W5500은 이더넷 칩셋으로 Hardwired TCP/IP가 내장된 이더네 컨트롤러입니다.
Hardwired TCP/IP는 TCP, UDP, IPv4, ARP, IGMP, PPPoE 등을 지원합니다.
Microcontroller SPI(Serial Peripheral Interface)를 이용하여 W5500을 제어할 수 있습니다.
W5500은 TCP/IP 10/100 이더넷 MAC, PHY를 내장하고 있어서,
임배디드 시스템에서 인터넷 연결을 쉽게 할 수 있게 해 줍니다.
| W5500 사양 | |
| Embedded Core | TCP/IP, MAX&PHY |
| Host I/F | Fast SPI |
| TX/RX Buffer | 32KB |
| HW Socket | 8 |
| Network Performance | MAX 15Mbps |
| Operatopm Temp(℃) | -40~85 |
| Package | 48LQFP(7x7) |
자세한 칩셋 정보는 WIZNET 홈페이지에서 확인을 할 수 있습니다.
https://www.wiznet.io/ko/product-item/w5500/
W5500 | WIZnet Co., Ltd.
www.wiznet.io
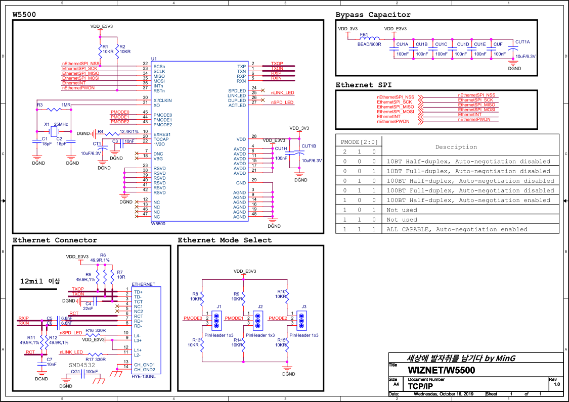
설계에 앞서 참고한 Datasheet와 Reference Schematic입니다.
Reference Schematic은
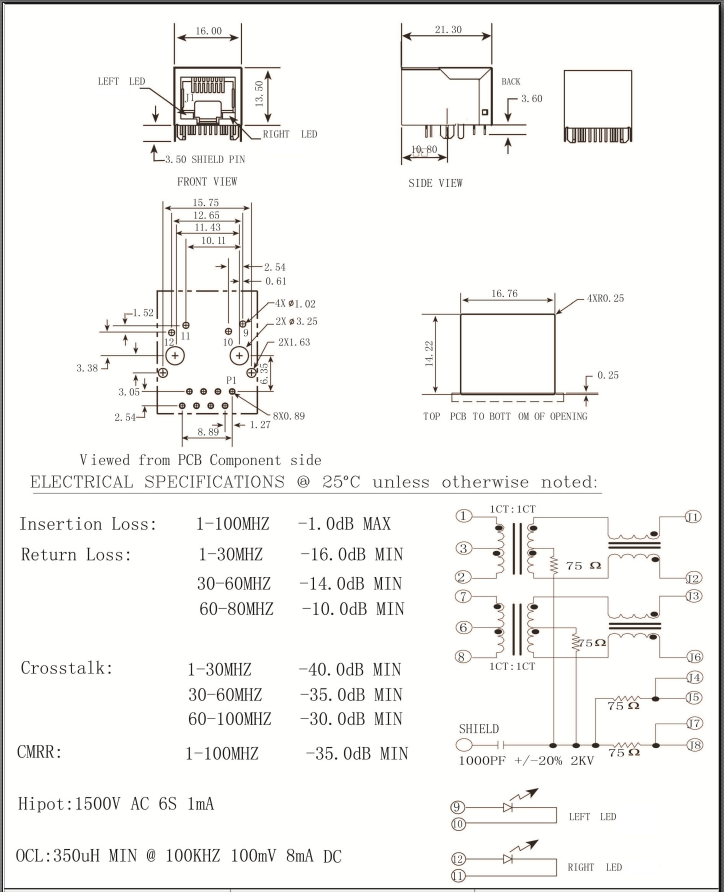
Transformer가 내장되어 있는 RJ45 Connector를 사용하여서 설계하는 회로도를 참고하였습니다.
회로도
회로도에 대해서 간략히 설명을 드리겠습니다.

PHY Operation mode select pins(PMODE0, PMODE1, PMODE2)는
PCB 제작 후에도 조정이 가능하도록 1x3 Pin Header를 이용하여 설계하였습니다.
HYE-13UNL Y-G는 Transformer가 내장되어 있습니다.

이 외에는 Datasheet와 Reference Schematic를 참고하여 작성하였습니다.
여러 회로에 접목하여 사용을 하고 있으며, 문제없이 잘 동작되는 회로도입니다.
저의 글을 읽어 주셔서 감사합니다. 오늘도 즐거운 하루 보내세요.
저의 글이 조금이나마 도움이 되셨다면 로그인이 필요 없는 공감♥ 한번 꾸욱 눌러주세요 하하~
댓글 영역